20种3D高清化工核心工艺流程
2026-03-18 11:08:01|人气:




























































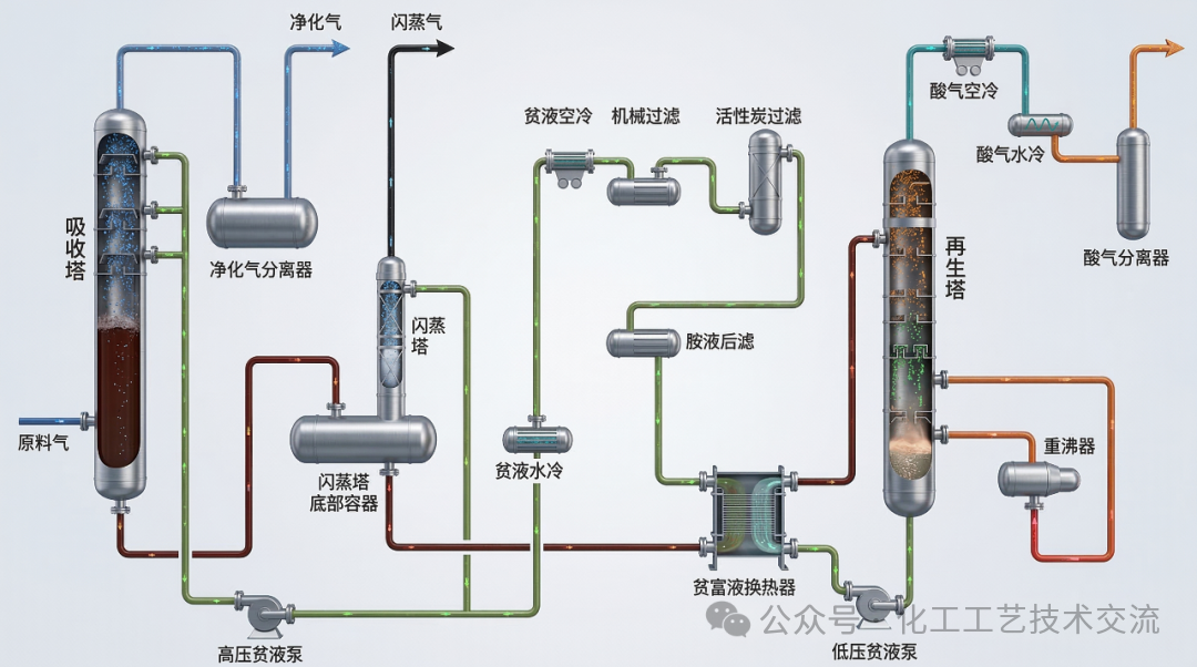
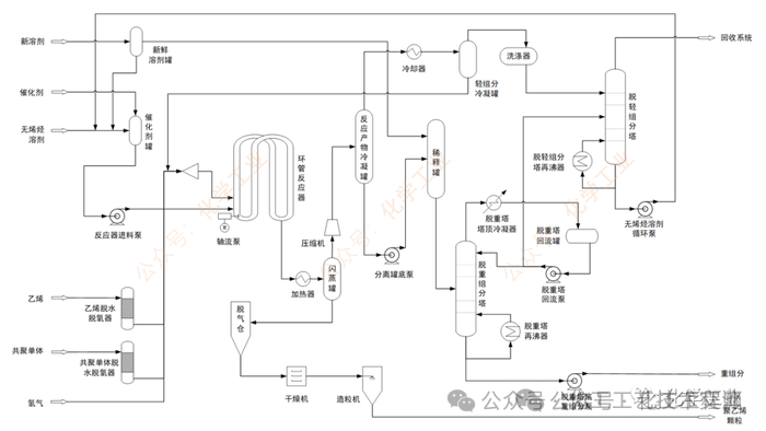
▲ 原始P&ID/PFD
▲ AI 3D工业灰写实
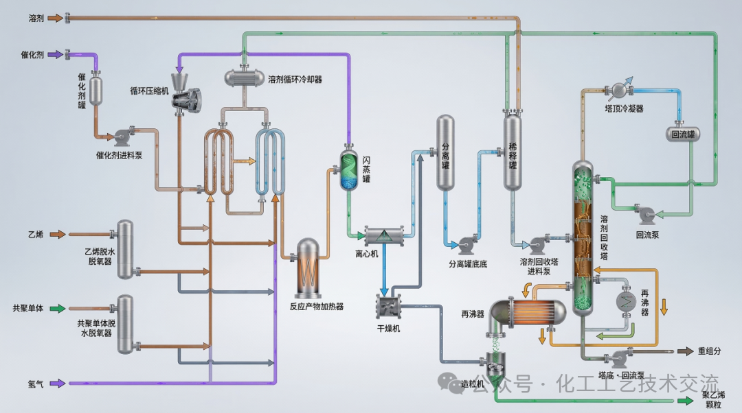
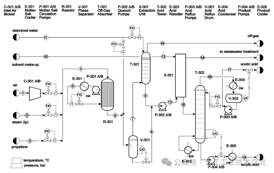
▲ 原始P&ID/PFD
▲ AI 3D工业灰写实
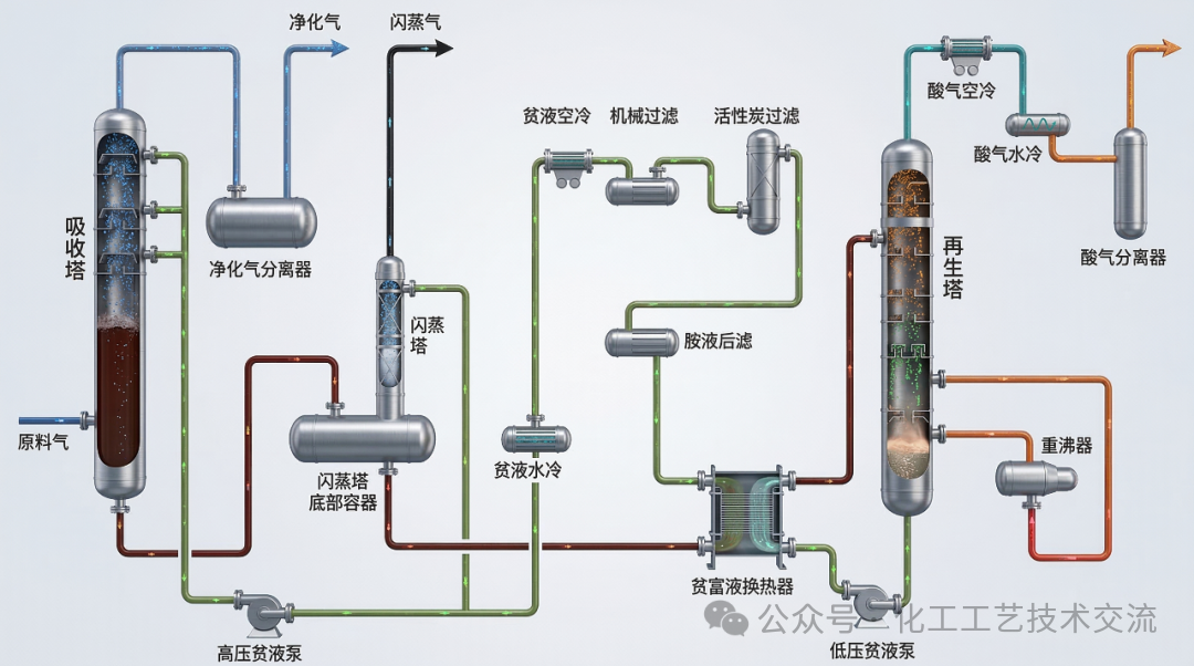
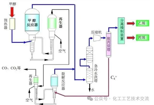
▲ 原始P&ID/PFD
▲ AI 3D工业灰写实
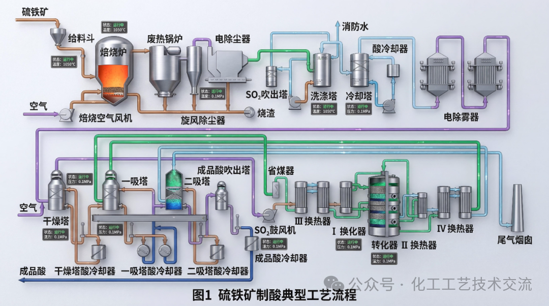
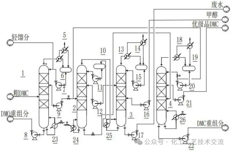
▲ 原始P&ID/PFD
▲ AI 3D工业灰写实
▲ 原始P&ID/PFD
▲ AI 3D工业灰写实
▲ 原始P&ID/PFD
▲ AI 3D工业灰写实
▲ 原始P&ID/PFD
▲ AI 3D工业灰写实
▲ 原始P&ID/PFD
▲ AI 3D工业灰写实
▲ 原始P&ID/PFD
▲ AI 3D工业灰写实
▲ 原始P&ID/PFD
▲ AI 3D工业灰写实
▲ 原始P&ID/PFD
▲ AI 3D工业灰写实
▲ 原始P&ID/PFD
▲ AI 3D工业灰写实
▲ 原始P&ID/PFD
▲ AI 3D工业灰写实
▲ 原始P&ID/PFD
▲ AI 3D工业灰写实
▲ 原始P&ID/PFD
▲ AI 3D工业灰写实
▲ 原始P&ID/PFD
▲ AI 3D工业灰写实
▲ 原始P&ID/PFD
▲ AI 3D工业灰写实
▲ 原始P&ID/PFD
▲ AI 3D工业灰写实
▲ 原始P&ID/PFD
▲ AI 3D工业灰写实
▲ 原始P&ID/PFD
▲ AI 3D工业灰写实
————END————


